皖控科技主营:
安徽耐磨热电偶公司
、
安徽特种电缆报价
、
安徽管阀件批发
免责申明
|
网站地图
咨询服务热线
0551-62935899
网站首页
关于我们
职位招聘
公司荣誉
企业新闻
公司动态
行业新闻
产品展示
温度仪表
双金属温度仪表
热安装套管
压力变送器
压力表
液位仪表
流量仪表
管阀件
电力电缆
控制电缆
计算机电缆
补偿电缆
变频电缆
通用橡套电缆
煤矿用电缆
铝合金电缆
射频电缆
特种电缆
技术支持
工程案例
联系我们
热门关键词:
耐磨热电偶
特种电缆
管阀件
耐磨熱電偶
-E7-89-B9-E7-A7-8D-E7-94-B5-E7-BC-86
-E7-AE-A1-E9-98-80-E4-BB-B6
产品展示
products
温度仪表
双金属温度仪表
热安装套管
压力变送器
压力表
液位仪表
流量仪表
管阀件
电力电缆
控制电缆
计算机电缆
补偿电缆
变频电缆
通用橡套电缆
煤矿用电缆
铝合金电缆
射频电缆
特种电缆
联系我们
电 话:0551-62935899
手机:18855140777
邮 箱:liuyong7370@126.com
地 址:安徽合肥市包河区徽州大道4948号
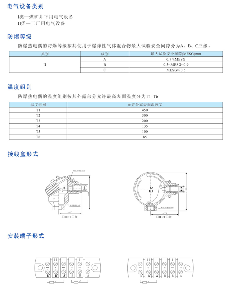
温度仪表
您现在的位置:
安徽皖控科技有限公司
产品展示
温度仪表
加入购物车成功!
产品名称:
防爆热电阻
添加时间:
2017-05-22 17:30:44
推荐度:
介绍:
打印本文
关闭本页
浏览:
上一篇:
防喷式铠装热电偶
下一篇:
防爆热电偶
吹气热电偶
厂家直销耐磨热电偶WRNN-231/K …
Y系列压力表
压簧固定热电偶
防爆热电偶
补偿导线式铠装热电偶
固定螺纹锥式热电偶
炉壁热电偶(阻)
多点热电偶
固定法兰式热电阻